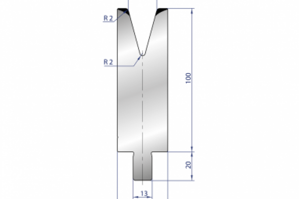
Cối chấn Trumpf