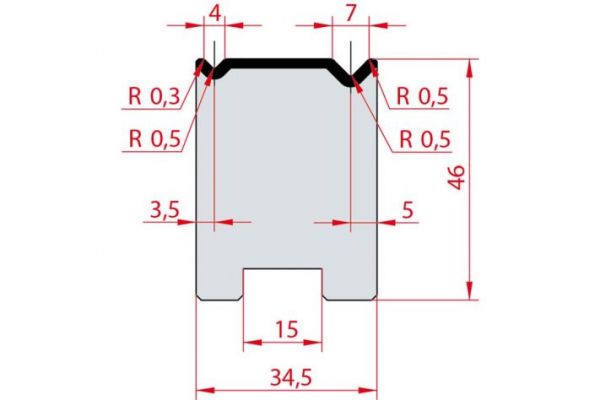
Cối chấn 2V